Planfräser für Plexiglas, Acrylglas und Kunststoffe z.B. PMMA
Schneidenbestückung Diamant PKD
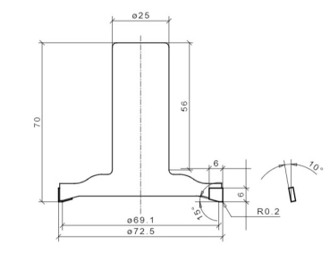
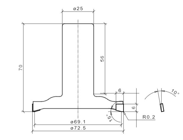
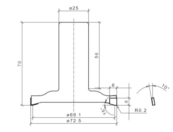
Technische Daten
Durchmesser : 72,5mm
Nutzlänge: 6mm
Schaft: 25x60mm
Schneidenanzahl: 5
PKD Bestückung: 6mm
Drehzahl: n - max: 18.000
Schneidengeometrie: negativ auf Wunsch positiv
Geeignet für Planfräsen von Kunststoffen
.JPG)
Besonderheit:
Spezielle Zahnform zur Vermeidung von Hitzeentwicklung an der Schneide, drückender schnitt damit maximale Oberflächengüte erreicht wird. Passend für Aerotech AER41 mit Späneabsaugung für Kunststoffspäne.